Moteur OMS 80cc - arbre cylindrique Ø32mm - Flasque 4 trous - Ø82.5mm - G1/2
Référence Hydrokit : MHS080A3AD
Informations techniques
Ref Danfoss 151F0500 (idem 151F8200 peint en noir)
Moteur hydraulique semi rapide MHS.
Ces moteurs sont tout indiqués pour le fonctionnement prolongé dans des conditions sévères (pression élevées, vitesse lente, huiles très fluides et inversions fréquentes par exemple). Leurs roulements à rouleaux coniques permettent l'absorption de charges radiales dynamiques et statiques. Entrainé par un petit arbre cardan séparé, le disque de distribution avec plaque d'équilibrage minimise les pertes hydrauliques et mécaniques. Résultat : rendement important même sous pressions élevées.
Orifices 1/2 BSP.
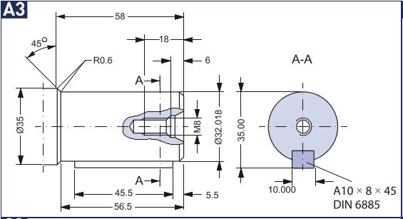
Arbre cylindrique Ø 32 mm, clavette parallèle A10x8x45 selon DIN6885.
Pression d'entrée maximum continue : 230 bar.
Pression retour maximum continue : 140 bar.


|
Rotation (tr/mn) |
Couple (Nm) |
|||||||||||||
|
Cylindrée (cm³/tr) |
maxi continue |
mini |
maxi continu |
mini de départ |
Puissance maxi continue (kW) |
Chute de pression maxi continue (bar) |
Débit huile maxi continu (l/mn) |
Pression de démarrage maxi (bar) |
Pression d'entrée maxi continue (bar) |
Référence Sauer Danfoss |
Lmax (mm) |
L1 (mm) |
L2 (mm) |
L3 (mm) |
|
80,5 |
810
(maxi intermittent : 1000) |
10 |
240 |
180 |
15,5 |
210 |
65 |
12 |
230 |
151F0500 |
167 |
14 |
124 |
67 |
Caractéristiques techniques
| Type Moteur | OMS | ||
| Cylindrée | 80 | cm³/tr | |
| Type de flasque | Flasque 4 trous - centrage Ø82.5mm | ||
| Type d'arbre | Cylindrique | ||
| Taille de l'arbre | 32 mm | ||
| Position des orifices | Orifices décalés | ||
| Taille des orifices A et B | G1/2 | ||
| Taille du drain | G1/4 | ||
| Type de roulement | Roulement à rouleaux conique | ||
| Capteur de vitesse (prédisposition) | Non | ||
| Peinture | Non peint | ||
| Marque | Danfoss / White WDMS |

