Moteur OMR 160cc - arbre cylindrique Ø25mm - Flasque SAEA 2 trous - G1/2 - Série CS
Référence Hydrokit : MHR160A1BE
Informations techniques
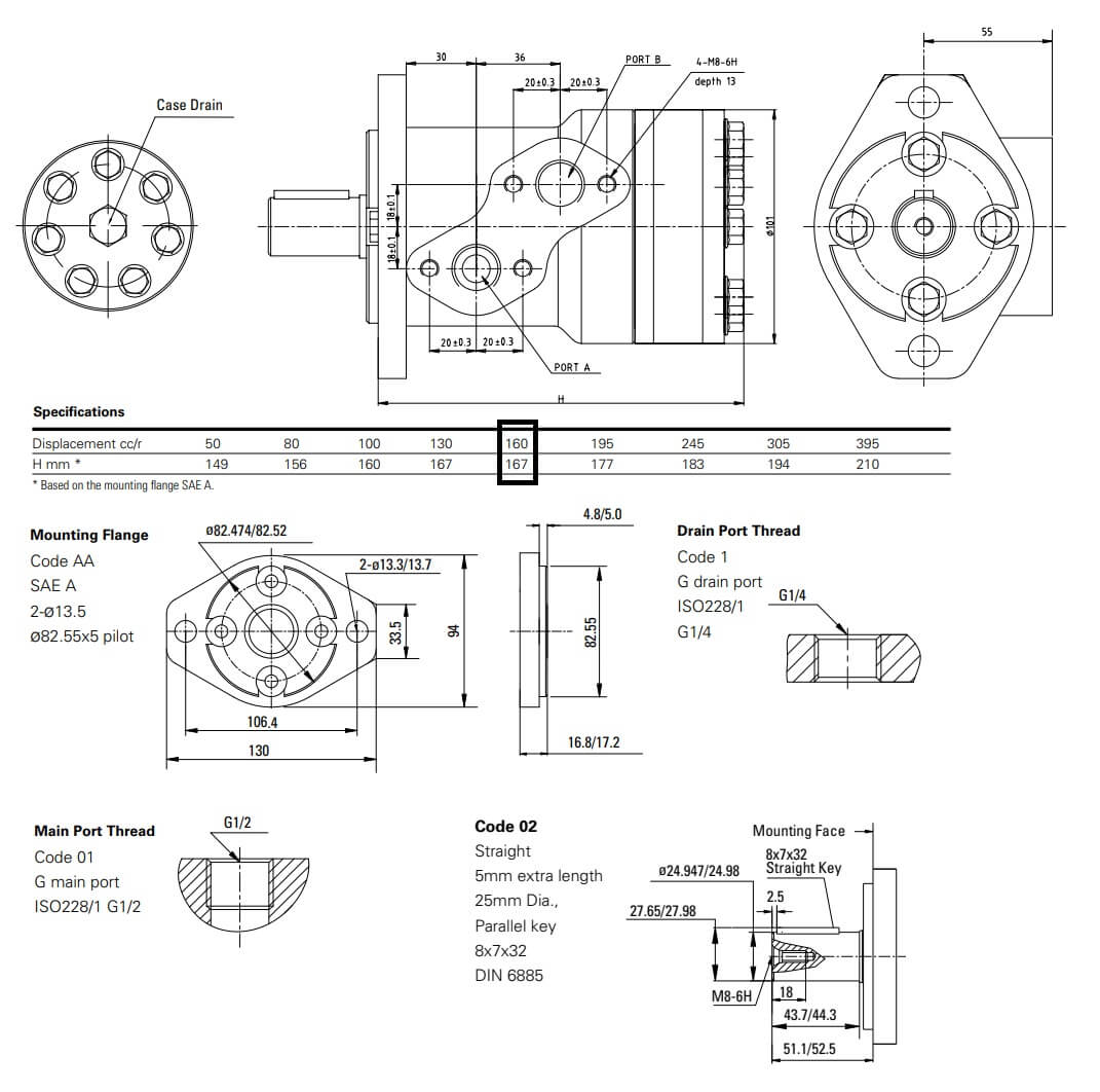
MOTEUR HYDRAULIQUE ORBIT 160 CC (157 cm3)
delta P en continue : 124bar
FLASQUE SAE A CENTRAGE 82.55 mm ENTRAXE DE FIXATION 106.4 mm
ARBRE CYLINDRIQUE 25mm LONGUEUR SPE + 5MM
ORIFICE G 1/2
ORIFICE DE DRAIN G 1/4
JOINT D'ARBRE RENFORCE
PEINTURE NOIR
Eaton Danfoss 036-0041-002 - MCS160AA02AA110020A000B00B
remplacement possible des ref 036-0161-002 - 036-0406-002 - 036-0411-002 - peinture différente)
Produit disponible jusqu'à épuisement du stock
delta P en continue : 124bar
FLASQUE SAE A CENTRAGE 82.55 mm ENTRAXE DE FIXATION 106.4 mm
ARBRE CYLINDRIQUE 25mm LONGUEUR SPE + 5MM
ORIFICE G 1/2
ORIFICE DE DRAIN G 1/4
JOINT D'ARBRE RENFORCE
PEINTURE NOIR
Eaton Danfoss 036-0041-002 - MCS160AA02AA110020A000B00B
remplacement possible des ref 036-0161-002 - 036-0406-002 - 036-0411-002 - peinture différente)
Produit disponible jusqu'à épuisement du stock

Caractéristiques techniques
| Type Moteur | OMR Geroller | ||
| Cylindrée | 160 | cm³/tr | |
| Type de flasque | Flasque 2 trous SAE A | ||
| Type d'arbre | Cylindrique | ||
| Taille de l'arbre | 25 mm | ||
| Position des orifices | Orifices décalés | ||
| Taille des orifices A et B | G1/2 | ||
| Taille du drain | G1/4 | ||
| Type de roulement | Palier fluide | ||
| Capteur de vitesse (prédisposition) | Non | ||
| Peinture | Noir RAL 9005 | ||
| Marque | Danfoss (ex Eaton Charlynn) |

