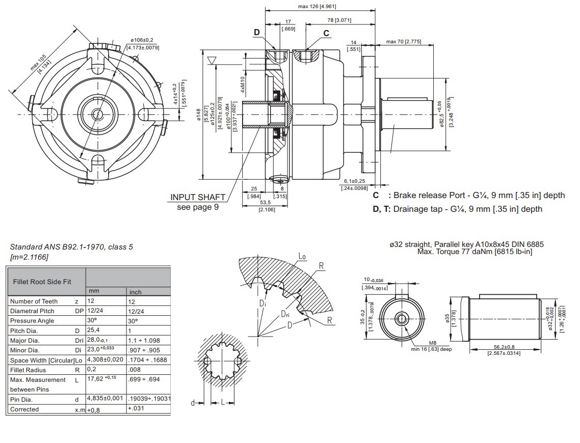
Frein pour moteur OMSS - sortie arbre Ø32mm - 31 daNm
Référence Hydrokit : FMHSS32A3F
Informations techniques
sortie type OMS - arbre cyl Ø32mm
Freinage statique 31-34 daNm
Pression mini 17-23bar
pression maxi 300bar
Drain max 5bar
volume d'huile pour défreiner : 7 à 8 cm3
Orifices G1/4
Freinage statique 31-34 daNm
Pression mini 17-23bar
pression maxi 300bar
Drain max 5bar
volume d'huile pour défreiner : 7 à 8 cm3
Orifices G1/4


