Moteur OMT 160cc - arbre cylindrique Ø40mm - Flasque 4 trous - Ø125mm - G3/4
Référence Hydrokit : MHT160A5
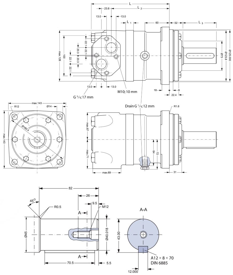
Informations techniques
Ref Danfoss 151B3000 (idem 151B0414 peint en noir)
Moteur semi rapide Danfoss OMT.
Ces moteurs sont tout indiqués pour le fonctionnement prolongé dans des conditions sévères (pression élevées, vitesse lente, huiles très fluides et inversions fréquentes par exemple). Leurs roulements à rouleaux coniques permettent l'absorption de charges radiales dynamiques et statiques. Entrainé par un petit arbre cardan séparé, le disque de distribution avec plaque d'équilibrage minimise les pertes hydrauliques et mécaniques. Résultat : rendement important même sous pressions élevées.
Orifices 3/4 BSP.
Pression d'entrée maxi continue : 210 bar.
Pression retour maxi continue : 140 bar.

|
Rotation (tr/mn) |
Couple (Nm) |
|||||||
|
Cylindrée (cm³/tr) |
maxi continue |
mini |
maxi continu |
mini de départ |
Puissance maxi continue (kW) |
Chute de pression maxi continue (bar) |
Débit huile maxi continu (l/mn) |
Référence Sauer Danfoss |
|
161,1 |
625
(Maxi intermittent : 780) |
10 |
470 |
340 |
26,5 |
200 |
100 |
151B3000 |
Caractéristiques techniques
| Type Moteur | OMT | ||
| Cylindrée | 160 | cm³/tr | |
| Type de flasque | Flasque 4 trous - centrage Ø125mm | ||
| Type d'arbre | Cylindrique | ||
| Taille de l'arbre | 40 mm | ||
| Position des orifices | Orifices décalés | ||
| Taille des orifices A et B | G3/4 | ||
| Taille du drain | G1/4 | ||
| Type de roulement | Roulement à rouleaux conique | ||
| Capteur de vitesse (prédisposition) | Non | ||
| Peinture | Non peint | ||
| Marque | Danfoss |

