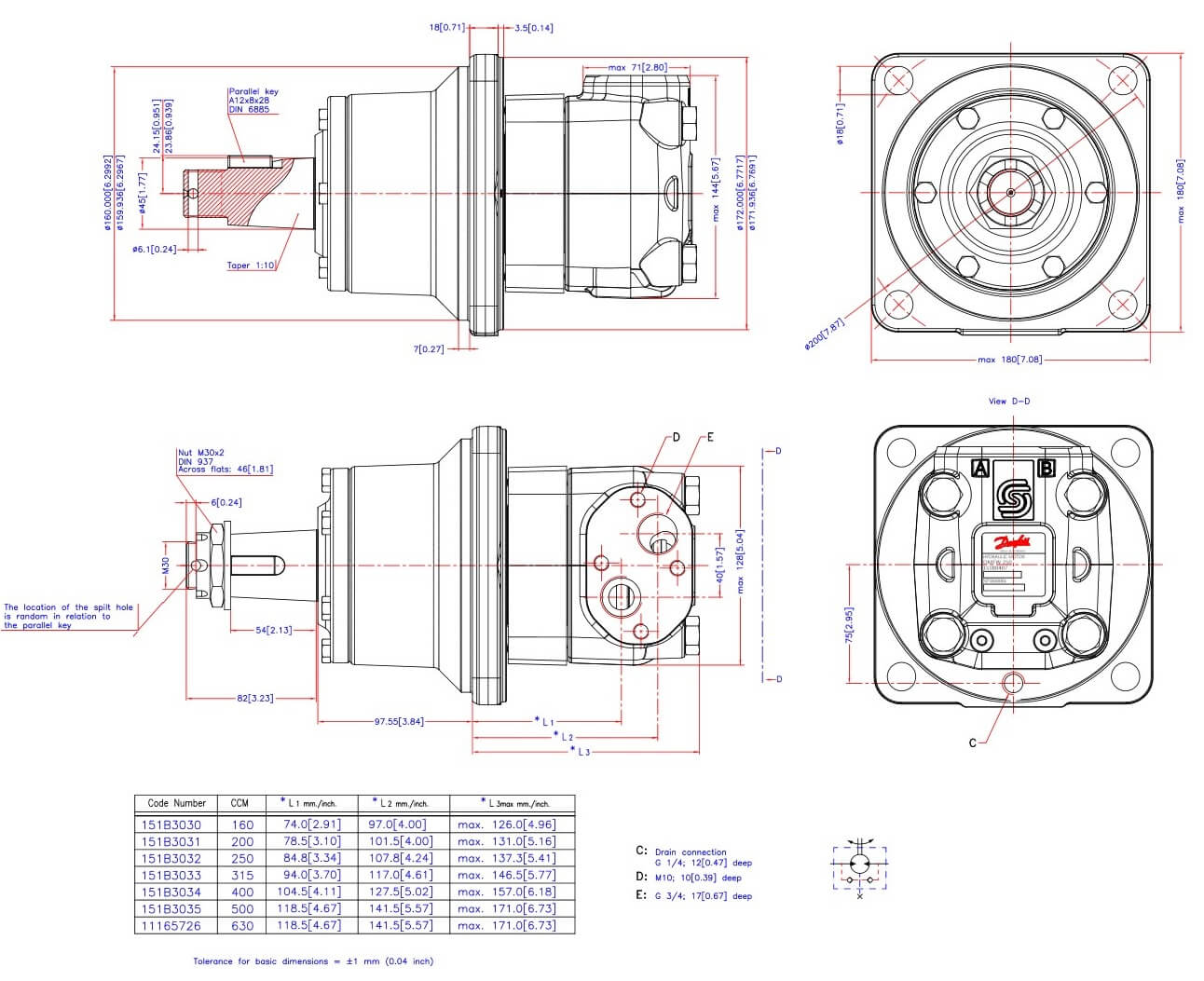
Moteur OMTW 400cc - arbre conique 1/10 Ø45mm - Flasque 4 trous Roue - Ø160mm - G3/4 - 151B3034
Référence Hydrokit : MHTW400K2
Informations techniques
Arbre Conique 45mm 1/10 + écrou M30x2
Flasque 4 trous Ø200 - centrage Ø160mm
orifice latéral G3/4 - Drain G1/4
ref Danfoss 151B3034
Flasque 4 trous Ø200 - centrage Ø160mm
orifice latéral G3/4 - Drain G1/4
ref Danfoss 151B3034
EQUIVALENT METSO: 804264 METSO LT110

Caractéristiques techniques
| Type Moteur | OMTW | ||
| Cylindrée | 400 | cm³/tr | |
| Type de flasque | Flasque 4 trous Roue - centrage Ø160mm | ||
| Type d'arbre | Conique | ||
| Taille de l'arbre | 1/10 Ø45 | ||
| Position des orifices | Orifices décalés | ||
| Taille des orifices A et B | G3/4 | ||
| Taille du drain | G1/4 | ||
| Type de roulement | Roulement à rouleaux conique | ||
| Capteur de vitesse (prédisposition) | Non | ||
| Peinture | Non peint | ||
| Marque | Danfoss |

