Moteur OMTW 400cc - arbre cylindrique Ø40mm - Flasque 4 trous Roue - Ø160mm - G3/4
Référence Hydrokit : MHTW400A5
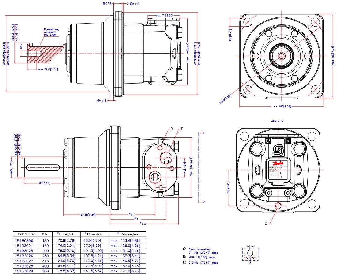
Informations techniques
Arbre Cylindrique 40mm
Flasque 4 trous Ø200 - centrage Ø160mm
orifice latéral G3/4 - Drain G1/4
ref Danfoss 151B3028
Flasque 4 trous Ø200 - centrage Ø160mm
orifice latéral G3/4 - Drain G1/4
ref Danfoss 151B3028

Caractéristiques techniques
| Type Moteur | OMTW | ||
| Cylindrée | 400 | cm³/tr | |
| Type de flasque | Flasque 4 trous Roue - centrage Ø160mm | ||
| Type d'arbre | Cylindrique | ||
| Taille de l'arbre | 40 mm | ||
| Position des orifices | Orifices décalés | ||
| Taille des orifices A et B | G3/4 | ||
| Taille du drain | G1/4 | ||
| Type de roulement | Roulement à rouleaux conique | ||
| Capteur de vitesse (prédisposition) | Non | ||
| Peinture | Non peint | ||
| Marque | Danfoss |

