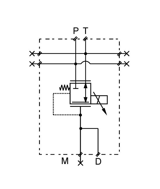
Bloc 1 fonction simple effet commande proportionnelle PWM 24Vdc
Référence Hydrokit : KP999P07V1
Informations techniques
1 cartouche PWM 24Vdc - Plage de reglage de 5 à 30 bar.
Pression maximum : 40 bar.
Débit maximum : 5 l/min.
Sans clapet navette.
Pression maximum : 40 bar.
Débit maximum : 5 l/min.
Sans clapet navette.



